本文将从厨房的从平面尺寸及布置方式、厨房设备、通风与光照、细节设计四个方面,为老人打造舒适、便捷的厨房环境。
厨房作为家居环境四大功能区域之一,是老年公寓中老人生活中不可缺少的部分。舒适的家居厨房环境对增强老年人的自理能力,增加老年人生活情趣,提升老年人的生活幸福感具有十分重要的意义。
本文和睿将从厨房的从平面尺寸及布置方式、厨房设备、通风与光照、细节设计四个方面,为老人打造舒适、便捷的厨房环境。
1
基本的平面尺寸及布置方式
《老年人居住建筑设计标准》规定“老年人使用厨房的面积不应少于4.5m2,轮椅使用者的厨房面积应不少于6m2,供轮椅回转面积面积应大于1.5×1.5m2;
《老年人建筑设计规范》规定“供老年人自行操作和轮椅进出的独用厨房,使用面积不宜小于6.00m2,,其最小短边净尺寸不应小于2.1m。

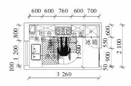
▲ 厨房的基本面积匹配
厨房平面尺寸的布置应基于厨房的布置方式,目前受大众青睐且适合老人使用的厨房布置方式有两种:L形厨房、U形厨房。
1、L形厨房
L形厨房布置时,其通道宽度净宽不宜小于1.5m。同时为满足轮椅基本的活动需求。在洗涤池、灶台等操作设备前应有一个长约1.22m,宽约0.76m的操作空间。
L形厨房的优点是: 开间小、进深大,适用于窄面宽、大进深型住宅,冰箱的开启不会干扰轮椅的旋转。

▲ L形厨房基本模型
2、U形厨房
U形厨房作业流线短,作业面多,从效率的角度而言适合老年人和残障人,应确保1.2m~1.5 m的轮椅回转空间。

▲ U形厨房基本模型
2
厨房设备
1、操作台
1. 高度
《老年人建筑设计规范》规定“厨房操作台面高度不宜小于0.75~0.80m,台下净空高度不应小于0.60m,台下净空前后进深不应小于0.25m。”
2. 宽度
《老年人建筑设计规范》规定“台面宽度不应小于0.5m”。
同时,根据15°工作原理(手臂与身体左右的夹角呈15°时工作较轻松),操作台面宽度应以0.76m为宜。
3. 深度
常见的油烟机深度在0.5m左右,为避免老年人使用操作台时额头碰到油烟机,老年人适用的操作台深度为0.55m。
4. 厚度
《住宅整体厨房》一书提到“操作台的厚度推荐尺寸30mm或40mm。”

▲ 操作台面宽度、高度
2、灶台
灶台是厨房中需要重点注意的器具之一。为了防止烹饪产生的热量或火焰对窗户或后挡板造成损坏,灶台与窗台间距应在50cm以上。同时,为了避免使用水槽时水溅湿灶台,灶台与水槽的间距应不小于40cm。
恰当处理灶台与周边空间的距离关系,不仅能够提高厨房活动的安全性,而且能够使操作者更加方便地进行烹饪活动。

▲ 厨房灶台设计模型图
3、水槽
水槽是厨房中直接与水接触的清洗用具。为避免老年人忘记关水龙头或者操作不当,引起水溢出或飞溅,应选用带溢水口的水槽。同时采用感应式水槽,当水槽中水位达到一定高度时,自动关闭水源或放水。
此外,水槽是使用最频繁的厨房用具之一,在情况允许的条件下,应尽量将水槽置于窗前。自然光照明,不需要另外的光源,避免食物因其他灯光照明产生色差,影响老年人对食物状况的判断力。

▲ 靠窗设计的水槽
4、橱柜
橱柜是厨房的重要组成部分。根据位置不同,可以分为地柜、吊柜。
1. 地柜
《住宅厨房及相关设备基本参数》中关于无障碍厨房的规定:地柜高度宜为75cm,深度宜为60cm。地柜台面下方净宽度不应小于60cm,高度不应小于65cm,深度不应小于35cm。
2. 吊柜
《老年人建筑设计规范》规定:柜底离地高度宜为1.4~1.5m,轮椅操作的厨房,吊柜底面离地面高度宜为1.2m,深度在0.25~0.30m。吊柜顶面标高一般不高于2.2m,在高度为1.4~1.8m的吊柜深度比操作台应退进0.25m,避免吊打开柜门时碰到老人的头部。

▲ 操作台上方的橱柜应避免与老人发生碰撞
3
通风与光照
1、良好通风条件,改善空气质量
良好的通风环境有助于改善厨房空间的空气质量,从而保障老人的身体健康。厨房的空气污染有两个来源:①燃料、烹饪产生的有害物;②室内空气不流通。
有研究表明:液化石油气及天然气并非是人们所认为的清洁燃料,其造成的污染物浓度比使用蜂窝煤的要高,其隐性污染毒害更严重。因此,可以选用太阳能或电等清洁能源来取代传统燃料,以减少污染气体的排放。
除此之外,创造良好的通风条件也是改善空气质量不可或缺的部分。厨房的通风条件可结合自然通风和机械通风两种方式,在厨房设置排风扇和油烟机的同时增设窗户的数量,以及时排出烹饪时产生的油烟和蒸汽,保证厨房空气质量。

▲ 厨房排风扇设计
2、充足光照环境
老人视力逐渐衰弱,作业时对光照强度的需求高于常人。有关资料显示,60岁的人需要的光照强度是20岁的人的2.5倍。所以,老年公寓厨房的采光水平,应是一般光照标准(根据中国住宅照明相关规范规定,厨房的整体照明度应为50~100lx。)的2.5倍。因此,适合老年人的厨房整体照明度为125~250lx。
提升厨房光照条件的方式有两种:
1. 自然光照
自然光照能够让人清晰地看清食物本身的颜色,不会产生错觉,便于对事物进行清洗。厨房中的窗户玻璃应该使用无色透明的平板玻璃,以便给予充足的自然光。
2. 人工照明
除夜间需要人工照明外,当厨房空间自然照明不足时,也需要人工照明。所以厨房的人工照明应分为整体照明和局部照明两个层次。
整体照明(比如安装在天花板上的扩散灯具)是为了满足整个厨房的照明需求,而局部照明(灶台、水槽处上方的强光灯)是为了对厨房卫生和安全方面进行补充照明。

▲ 操作台上方的局部照明设计
4
细节设计
为老年人量身打造设计的厨房,除了基本的无障碍设计外,还应根据老年人特有的生理机制退化,增添细节设计,以充分实现对老年人的人文关怀。
比如:基于记忆力差的生理特征,尽可能把老年人需要的东西都置放在他们的视野范围内。
01
厨房用具的分类摆放
厨房内常用的调料形态不一且种类繁多,若一一摆放在操作台上不仅占操作空间,而且难以分辨。所以可以为调料品(油、盐、酱、醋、味精、白糖、胡椒粉等)统一设计系列调味瓶,同时贴上标签以方便拿取。
此外,锅、铲、勺等厨房工具也可以分类放置并挂在醒目的地方。

▲ 厨房调料多功能收纳盒
02
电源开关及插座的设置
电源开关及插座应安装在使用者伸手可及的地方,避免老人弯腰或垫高造成的不便;
老年人视力较差,电源开关和插座应采用清晰醒目的色彩,与背景形成一定的对比;
老年人手指灵活度较差,电源开关应采用宽体防漏电的按键开关;
为老人选用带保护盖的电源插座,增加安全性。

▲ 带保护盖的电源插座
5
小结
安全便捷、绿色环保是厨房空间设计的基本理念。
本文和睿结合了厨房无障碍设计的相关理念和原则,从平面尺寸及布置方式、厨房设备、通风与光照、细节设计四个方面,提出了些许关于如何建设适合老人使用的厨房空间的观点,以期为老年公寓的适老性设计事业尽一份绵薄之力。